Гайка шестигранная, класс точности A ГОСТ 5927-70 представляет собой вид металлоизделий, который широко используется в качестве крепежного материала в самых различных отраслях хозяйственной деятельности: промышленном производстве, строительстве, самолето- и кораблестроении, машиностроении, приборостроении и радиоэлектронике.

Данный вид крепежа применяется для обеспечения соединения различных металлических и деревянных узлов и деталей.
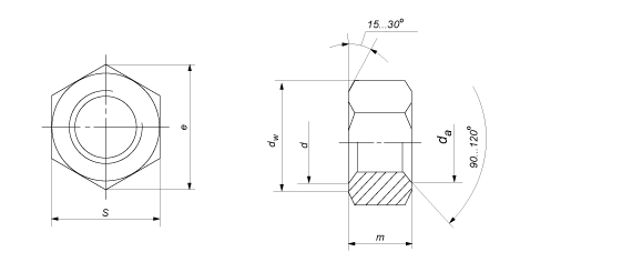
Гайка шестигранная, класс точности A ГОСТ 5927-70 - фото - 2

Гайка шестигранная, класс точности A ГОСТ 5927-70

Гайка шестигранная, класс точности A ГОСТ 5927-70 представляет собой вид металлоизделий, который широко используется в качестве крепежного материала в самых различных отраслях хозяйственной деятельности: промышленном производстве, строительстве, самолето- и кораблестроении, машиностроении, приборостроении и радиоэлектронике.

Данный вид крепежа применяется для обеспечения соединения различных металлических и деревянных узлов и деталей.
Санкт-Петербургский Завод крепежных изделий © 2025г. Все права защищены
Адрес
СПб, г. Колпино, б-р Трудящихся, дом 2, лит. А., пом. 13-Н, офис 1
Яндекс.Метрика